ELECTRONICA,CM2

 Diseño, Mantenimiento y Montaje  de equipos Electrónicos y Sistemas de Cómputo ______________________________________________________

Guapi - Cauca - Colombia

 

 

Inicio                                        

Amplificadores de de audio

   - Amp. de 50W con TDA7265

   - Amp. de 100W con TDA7294

 

Cargadores de Baterías

 - Cargador profesional de baterías

Inversores de Voltaje 

    - Inversor 12 Vdc @ 120 Vac

    - Inversor basado en SN7400

Fuentes de alimentacion

    - Regulador con LM317T

  - Fuente variable con transistor

 

Diseños varios

    - Balasto

   - Monitor luminoso para timbre telefónico

  - Barrera Invisible detector de  personas

- Control de intensidad o Regulador de velocidad para motores pequeños de AC

   - Control de Nivel de Líquidos

   - Monitor de Audio

 

   - Detector de Luz (Pendiente)

   - Temporizador RC (Pendiente)

   - Start / Stop con Amplificador Operacional. (Pendiente)

- Start / Stop para motor, con compuertas NAND (Pendiente)

- Control de Tonos - Audio     (Pendiente)

   - Generador de Onda senoidal con Operacional (Pendiente)

 

 

 

 

Proyectos Terminados

   - Monitoreo del hogar a través  del teléfono celular, con PIC

   - Letrero desplazable de LEDs

   - PROTECT, guardián del nivel de tensión

   - Medición de Nivel de embalse, visualización en pantalla con gráfica de tendencia.

 

Radiofrecuencia

   - Transmisor en FM

   - Transmisor en AM

 

 

Arduino

- Encender y apagar LED vía Ethernet con Visual Studio (Pendiente)

- Medición de Temperatura y Humedad vía Ethernet con Visual Studio (Pendiente)

 

 

 

Educación

Descargas

 

 

 

 

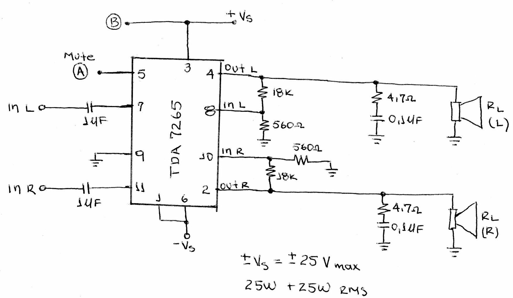
Amplificador de Audio de 50W (25W + 25W)            Aprobado cm2

Contar con un sistema de audio de mediana potencia en nuestra habitación, sala de estudio o laboratorio es casi que indispensable.

Escuchar la música se vuelve más placentero si el sistema que amplifica nuestro reproductor fue construido por uno mismo.

Presento un amplificador de audio de mediana potencia, fácil de construir, pequeño pero potente, que puedes llevar a cualquier lugar para amplificar el sonido de cualquier aparato que tenga una salida de audio, capaz de entregar 25W por canal (25W sobre un parlante de 8), es decir un sistema estéreo que alcanza un total de 50W RMS.

 

 

El circuito se alimenta con una fuente dual (-Vcc  Gnd  +Vcc) que va desde los ±5V hasta los ±25V, siendo ±25V la tensión requerida para obtener la máxima potencia (25W + 25W).

 

 

 

Este amplificador cuenta con un sistema de mute para el cual se construye un pequeño circuito como se muestra en la imagen derecha:

Para operación normal el SW1 (ST-BY) debe permanecer conectado  a la línea B (+Vcc) y el SW2 debe permanecer cerrado, es decir la resistencia de 15K quedará en paralelo con la de 18K.

El SW1 en estado abierto, silencia el amplificador (mudo).         

 Los puntos A y B de este circuito se conectan a los puntos A y B respectivamente del circuito anterior (amplificador).

 

La fuente de alimentación se muestra en la siguiente imagen:

El Transformador debe ser con derivación (Tab) central.

Para obtener los 25W por canal basta utilizar un transformador con las siguientes características: 20V 0V 20V a 3A.

 

Puedes construir tu propio PCB (placa de circuito impreso) mediante software, yo construí mi PCB a mano ya que el reducido número de componentes lo hace muy fácil. Para mejor comprensión se dimensionó cada placa, las medidas están en centímetros :

                          

PCB listo para imprimir sobre la placa de circuito impreso (sin mirror)                         Lado de componentes

A continuación unas fotos del circuito amplificador impreso.

             Aprobado cm2

Descargue todo el proyecto haciendo clic en el siguiente botón Descargar

 

Tanto el circuito del amplificador como el circuito mute fueron tomados del datasheet de SGS Thomson Microelectronics el cual fue descargado de http://www.datasheetcatalog.com/datasheets_pdf/T/D/A/7/TDA7265.shtml